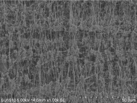
PTFE air purification membranes are often used for bag-type dust removal and filter cartridge-type dust removal. It has the characteristics of surface filtration, high filtration efficiency, easy dust removal, stable running resistance, long service life, high and low-temperature resistance, corrosion resistance and other advantages. It is widely used in industrial dust removal and purification, household vacuum cleaners, and air purifiers.
Membrane air permeability 60-200L/ L/m2·s@127Pa
Film thickness 2-15μm



